搜索
获取报价
相关产品
产品描述
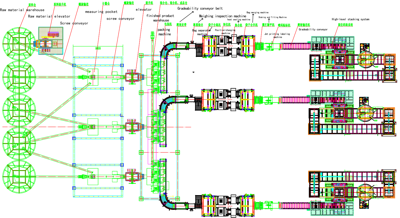
经过多年积累的经验我公司开发的新一代特种砂浆生产线,可以适应各种原材料,包括各种石膏基和水泥基特种材料的计量和搅拌。
针对各个物料不同的物理特性设计不同的计量和搅拌方式,力求满足客户对品质要求。

获取报价
相关产品
产品特点
1、结构紧凑,占地面积小;
2、投资少、回报快;
3、可生产石膏基和水泥基多种特种砂浆产品;
4、可安装于标准工业厂房的、简单灵活。
5、自动化程度高:通过总控系统,所有原料(包含添加剂)自动计量、自动输送、自动混合、包装、自动输送、自动码垛成型,整个生产过程大大降低人工成本。
6、无粉尘:整套设备分为整体、定点两大除尘方式,在粉尘较为集中区域采用定点除尘回收,其他区域采用整体除尘回收,打造标准化车间。
7、稳定性好:我公司吸收砂浆设备多年的行业经验,整套生产线每一个细节、每一道工序都经过我司技术部门严格计算和调试,保证整个流水线的产能及稳定性。
8、产品具有竞争力:输送线配备整形、清灰、喷码、热合多道工序,保证每一袋产品外观干净整洁、形状整齐化一,为后续码垛、缠绕膜包装做好基础工作。大大提高出厂产品的外观档次,增加产品的市场竞争力。
9、完善的售后服务体系:公司依靠强大的研发设计团队,成熟的设计理念,根据客户的产品配方和投资计划,优化工艺流程,量身定制,为客户提供、经济的产品方案。从投资分析、市场细化、设备选型、售后安装、人员培训、维修维护、配方支持一条龙周到细致的服务,全球优质配件的采购使您的设备稳定运行,有效地降低设备的维修保养成本。

展开全部
项目案例
相关产品
首页


